欢迎来到 广州飞虹电子官网!20年专注大功率mos管生产经验咨询热线:400-831-6077

服务热线
400-831-6077
推荐文章
  • 替换STP170N8F7型号参数在电池管理系统应用MOS管:FHP170N8F3A!
  • BMS电源管理系统的国产MOS管:170N8F3A可替换IPP037N08N3G的型号参数!
  • 双互换式UPS电源的国产MOS管:170N8F3A可替换IPP037N08N3G的型号参数!
  • 自动化设备电机驱动专用MOS管:选能替代IPP126N10N3G场效应管很重要!
  • 60N1F10A场效应管替代IPP126N10N3G型号用于电动车电机驱动!
  • 可替换IPP126N10N3G应用在逆变器的MOS管:60N1F10A 型号参数。
  • 应用于5G电源的国产MOS管:FHS170N1F4A可替换STI150N10F7的型号参数!
  • 5G电源的UPS供电系统可用MOS管FHP170N1F4A替换IPB045N10N3G的型号参数!
  • 5G通信电源的国产MOS管:FHS170N1F4A可替换HYG042N10NS1B的型号参数!
  • FHP170N1F4A MOS管替换HYG045N10NS1B型号参数,用于5G电源!
  • 无刷直流电机的国产MOS管:FHP200N6F3A可替换IPP04N06N3的型号参数!
  • BLDC电机的国产MOS管:FHP200N6F3A可替换IRFB3256PBF的型号参数!
  • FHP200N6F3AMOS管替换IRFB3306PBF型号参数,用于BLDC电机驱动电路!
  • 户外储能电源的国产MOS管:FHP200N4F3A可替换IPP041N04NG的型号参数!
  • FHP200N4F3AMOS管替换IRF1404型号参数,用于便携式储能电源电路!
  • 为控制器提升保护功能的MOS管,FHP100N03D替代CRTD055N03L型号参数。
  • 太阳能路灯控制器的国产MOS管:100N03D可替换100N03的型号参数!
  • 代换85N03场效应管,30V、100A参数能让太阳能路灯控制器保护作用提升。
  • 代换HYG045N03LA1D型号参数在路灯控制器应用MOS管:FHD100N03D!
  • 起草皮机电机驱动的国产MOS管:170N8F3A可替换IPP037N08N3G的型号参数!
  • 代换04N08型号参数的割草机电机驱动国产MOS管:FHP170N8F3A!
  • 推荐可用草坪修剪机电机驱动可代换STP170N8F7的国产场效应管!
  • 锂电池保护板常用型号,除SVG095R0NT(S)外,还有110N8F5B低压场效应管!
  • 优质国产场效应管型号,TO-226封装管代换SVG095R0NT(S)用于太阳能控制器!
  • FHP110N8F5B场管代换SVG095R0NT(S)型号参数,储能电源的国产MOS管!
  • 锂电池保护板常用型号,除055N08外,还有110N8F5B低压场效应管!
  • 选对封装的场效应管,TO-226封装管代换055N08用于太阳能控制器!
  • FHP110N8F5B场管代换055N08型号参数,对储能电源友好的MOS管!
  • 锂电池保护板常用型号,除052N08外,还有110N8F5B低压场效应管!
  • 70V低压MOS管,型号100N07参数适用电动车控制器!
  • 型号100N08,100A、80V大电流、低压MOS管,适用电动车控制器!
  • 130A大电流MOS管,型号3205参数适用逆变器前级电路!
  • HY3606参数场效应管替代型号,让逆变器前级电路适用效率提升!
  • 3205场效应管,推荐逆变器前级DCDC升压电路使用的国产替代!
  • IRFP064N型号场效应管国产替代,提升12V逆变器前级电路的转换效率!
  • 推荐修正波DC-AC全桥逆变电路厂家替代国外IRF640场效应管的使用型号参数!
  • 48V转60V输入逆变器前级电路常用场效应管IRFP460的替换管型参数!
  • DC-AC电源转换器替代国外IRF640场效应管200V、18A使用的型号!
  • FQP4N60参数场效应管在高压H桥PWM马达驱动中使用的4AMOS管!
  • DC-DC电源转换器应用FHP4N60高耐压管型,代换FQP4N60参数场效应管!
  • 10A电流的MOS管可替代FQP4N60型号参数,应用在AC-DC开关电源
  • 高压H桥PMW马达驱动应用FHP7N60型号,替代FQP7N60参数的国外场效应管!
  • 电子工程师必看,DC-DC电源转换器中替代FQP7N60场效应管的使用型号!
  • 7Amos管应用在AC-DC开关电源除了FQP7N60还有FHP7N60型号!
  • 50A电流的MOS管可替代FQP50N06型号参数,应用在100W-12V输入的逆变器
  • 型号150N06,150A、60V大电流、低压MOS管,适用升压电路!
  • 28A低电荷MOS管,型号540参数适用电压转换器!
  • 180A大电流、40V电源MOS管,型号1404参数适用逆变器电路!
  • 电子工程师常用的56A大电流MOS管,型号3710参数特点!
  • 型号4410,140A、100V大电流、低压MOS管,适合同步整流电路!
  • 80A大电流MOS管,型号80N07参数适用锂电池保护板!
  • 18A低电流,200V电压参数特点的MOS管分别有哪些型号?
  • 5.5A低电流高压功率MOS场效应管,型号730参数适用逆变器、UPS系列!
  • 10A低电流、400V电源MOS管,型号740参数适用方波输出的逆变器电路!
  • 型号830,5A、500V低电流、高压MOS管,适用逆变器的后级电路!
  • 9A低电荷高压功率MOS场效应管,型号840参数适用逆变器后级电路!
  • 10A低电荷、600V电源MOS管,型号10N60参数适用马达驱动!
  • 型号8N60,8A、600V低电荷、高压MOS管,适用AC-DC开关电源!
  • 600V高压功率MOS场效应管,型号5N60参数适用马达驱动电路!
  • 12A低电荷、600V电源MOS管,型号12N60参数适用电源转换器!
  • 电子工程师常用的20A低电荷高压功率场效应管:型号20N60参数特点!
  • 60V低压MOS管,型号50N06参数适用电机调速电路!
  • 75A大电流MOS管,型号75N100参数适用电机驱动!
  • 替换STP170N8F7型号参数在电池管理系统应用MOS管:FHP170N8F3A!
  • BMS电源管理系统的国产MOS管:170N8F3A可替换IPP037N08N3G的型号参数!
  • 双互换式UPS电源的国产MOS管:170N8F3A可替换IPP037N08N3G的型号参数!
  • 自动化设备电机驱动专用MOS管:选能替代IPP126N10N3G场效应管很重要!
  • 60N1F10A场效应管替代IPP126N10N3G型号用于电动车电机驱动!
  • 可替换IPP126N10N3G应用在逆变器的MOS管:60N1F10A 型号参数。
  • 应用于5G电源的国产MOS管:FHS170N1F4A可替换STI150N10F7的型号参数!
  • 5G电源的UPS供电系统可用MOS管FHP170N1F4A替换IPB045N10N3G的型号参数!
  • 5G通信电源的国产MOS管:FHS170N1F4A可替换HYG042N10NS1B的型号参数!
  • FHP170N1F4A MOS管替换HYG045N10NS1B型号参数,用于5G电源!
  • 无刷直流电机的国产MOS管:FHP200N6F3A可替换IPP04N06N3的型号参数!
  • BLDC电机的国产MOS管:FHP200N6F3A可替换IRFB3256PBF的型号参数!
  • FHP200N6F3AMOS管替换IRFB3306PBF型号参数,用于BLDC电机驱动电路!
  • 户外储能电源的国产MOS管:FHP200N4F3A可替换IPP041N04NG的型号参数!
  • FHP200N4F3AMOS管替换IRF1404型号参数,用于便携式储能电源电路!
  • 为控制器提升保护功能的MOS管,FHP100N03D替代CRTD055N03L型号参数。
  • 太阳能路灯控制器的国产MOS管:100N03D可替换100N03的型号参数!
  • 代换85N03场效应管,30V、100A参数能让太阳能路灯控制器保护作用提升。
  • 代换HYG045N03LA1D型号参数在路灯控制器应用MOS管:FHD100N03D!
  • 起草皮机电机驱动的国产MOS管:170N8F3A可替换IPP037N08N3G的型号参数!
  • 代换04N08型号参数的割草机电机驱动国产MOS管:FHP170N8F3A!
  • 推荐可用草坪修剪机电机驱动可代换STP170N8F7的国产场效应管!
  • 锂电池保护板常用型号,除SVG095R0NT(S)外,还有110N8F5B低压场效应管!
  • 优质国产场效应管型号,TO-226封装管代换SVG095R0NT(S)用于太阳能控制器!
  • FHP110N8F5B场管代换SVG095R0NT(S)型号参数,储能电源的国产MOS管!
  • 锂电池保护板常用型号,除055N08外,还有110N8F5B低压场效应管!
  • 选对封装的场效应管,TO-226封装管代换055N08用于太阳能控制器!
  • FHP110N8F5B场管代换055N08型号参数,对储能电源友好的MOS管!
  • 锂电池保护板常用型号,除052N08外,还有110N8F5B低压场效应管!
  • 70V低压MOS管,型号100N07参数适用电动车控制器!
  • 型号100N08,100A、80V大电流、低压MOS管,适用电动车控制器!
  • 130A大电流MOS管,型号3205参数适用逆变器前级电路!
  • HY3606参数场效应管替代型号,让逆变器前级电路适用效率提升!
  • 3205场效应管,推荐逆变器前级DCDC升压电路使用的国产替代!
  • IRFP064N型号场效应管国产替代,提升12V逆变器前级电路的转换效率!
  • 推荐修正波DC-AC全桥逆变电路厂家替代国外IRF640场效应管的使用型号参数!
  • 48V转60V输入逆变器前级电路常用场效应管IRFP460的替换管型参数!
  • DC-AC电源转换器替代国外IRF640场效应管200V、18A使用的型号!
  • FQP4N60参数场效应管在高压H桥PWM马达驱动中使用的4AMOS管!
  • DC-DC电源转换器应用FHP4N60高耐压管型,代换FQP4N60参数场效应管!
  • 10A电流的MOS管可替代FQP4N60型号参数,应用在AC-DC开关电源
  • 高压H桥PMW马达驱动应用FHP7N60型号,替代FQP7N60参数的国外场效应管!
  • 电子工程师必看,DC-DC电源转换器中替代FQP7N60场效应管的使用型号!
  • 7Amos管应用在AC-DC开关电源除了FQP7N60还有FHP7N60型号!
  • 50A电流的MOS管可替代FQP50N06型号参数,应用在100W-12V输入的逆变器
  • 型号150N06,150A、60V大电流、低压MOS管,适用升压电路!
  • 28A低电荷MOS管,型号540参数适用电压转换器!
  • 180A大电流、40V电源MOS管,型号1404参数适用逆变器电路!
  • 电子工程师常用的56A大电流MOS管,型号3710参数特点!
  • 型号4410,140A、100V大电流、低压MOS管,适合同步整流电路!
  • 80A大电流MOS管,型号80N07参数适用锂电池保护板!
  • 18A低电流,200V电压参数特点的MOS管分别有哪些型号?
  • 5.5A低电流高压功率MOS场效应管,型号730参数适用逆变器、UPS系列!
  • 10A低电流、400V电源MOS管,型号740参数适用方波输出的逆变器电路!
  • 型号830,5A、500V低电流、高压MOS管,适用逆变器的后级电路!
  • 9A低电荷高压功率MOS场效应管,型号840参数适用逆变器后级电路!
  • 10A低电荷、600V电源MOS管,型号10N60参数适用马达驱动!
  • 型号8N60,8A、600V低电荷、高压MOS管,适用AC-DC开关电源!
  • 600V高压功率MOS场效应管,型号5N60参数适用马达驱动电路!
  • 12A低电荷、600V电源MOS管,型号12N60参数适用电源转换器!
  • 电子工程师常用的20A低电荷高压功率场效应管:型号20N60参数特点!
  • 60V低压MOS管,型号50N06参数适用电机调速电路!
  • 75A大电流MOS管,型号75N100参数适用电机驱动!
  • /hangyezixun/show/744.html
  • /hangyezixun/show/745.html
  • /hangyezixun/show/743.html
  • /hangyezixun/show/740.html
  • /hangyezixun/show/739.html
  • /hangyezixun/show/738.html
  • /hangyezixun/show/737.html
  • /hangyezixun/show/736.html
  • /hangyezixun/show/735.html
  • /hangyezixun/show/734.html
  • /hangyezixun/show/732.html
  • /hangyezixun/show/731.html
  • /hangyezixun/show/730.html
  • /hangyezixun/show/729.html
  • /hangyezixun/show/728.html
  • /hangyezixun/show/725.html
  • /hangyezixun/show/724.html
  • /hangyezixun/show/723.html
  • /hangyezixun/show/722.html
  • /hangyezixun/show/718.html
  • /hangyezixun/show/717.html
  • /hangyezixun/show/716.html
  • /hangyezixun/show/710.html
  • /hangyezixun/show/709.html
  • /hangyezixun/show/708.html
  • /hangyezixun/show/707.html
  • /hangyezixun/show/706.html
  • /hangyezixun/show/705.html
  • /hangyezixun/show/704.html
  • /hangyezixun/show/607.html
  • /hangyezixun/show/606.html
  • /hangyezixun/show/605.html
  • /hangyezixun/show/604.html
  • /hangyezixun/show/603.html
  • /hangyezixun/show/602.html
  • /hangyezixun/show/601.html
  • /hangyezixun/show/600.html
  • /hangyezixun/show/597.html
  • /hangyezixun/show/596.html
  • /hangyezixun/show/595.html
  • /hangyezixun/show/594.html
  • /hangyezixun/show/593.html
  • /hangyezixun/show/592.html
  • /hangyezixun/show/591.html
  • /hangyezixun/show/590.html
  • /hangyezixun/show/614.html
  • /hangyezixun/show/613.html
  • /hangyezixun/show/612.html
  • /hangyezixun/show/611.html
  • /hangyezixun/show/610.html
  • /hangyezixun/show/609.html
  • /hangyezixun/show/626.html
  • /hangyezixun/show/625.html
  • /hangyezixun/show/624.html
  • /hangyezixun/show/623.html
  • /hangyezixun/show/622.html
  • /hangyezixun/show/621.html
  • /hangyezixun/show/620.html
  • /hangyezixun/show/619.html
  • /hangyezixun/show/618.html
  • /hangyezixun/show/617.html
  • /hangyezixun/show/616.html
  • /hangyezixun/show/615.html

5.5A低电流高压功率MOS场效应管,型号730参数适用逆变器、UPS系列!

文章作者:广州飞虹电子 浏览量:7663 类型:行业资讯 日期:2021-04-17 14:26:02 分享:
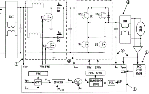
    5.5A低电流,400V高电压的功率MOS场效应管会有哪些常见的电路应用场景?目前这类型的参数型号会有730型号的,而此型号已经常用于逆变器、UPS系列的产品电路中。

    飞虹电子将以系列mos管产品型号,通过科普为广大电子工程师介绍不同场效应管的参数、型号、漏-源电压、通态电阻、漏极直流电流等等方面。今天给电子工程师带来的是一款5.5A低电路,400V高电压MOS管:730型号参数。低电流高压功率mos场效应管


    首先我们可以来看看这一款5.5A低电流,400V高电压730在实际的电路应用常常适用于什么样的场景呢?低电流高压功率mos场效应管

    它作为一款N沟道增强型高压功率MOS场效应管,以其5.5A漏极直流电流、400V漏-源电压的特性,一般推荐用于逆变器、UPS系列的产品,当然还可以用于DC-AC电源转换器,低电流高压功率mos场效应管DC-DC电源转换器,高压H桥PMW马达驱动等场景。

    目前这一款5.5A、400V大流量、高电压的MOS管是能够匹配:6N40、7N40、IRF730B这三款型号来替换使用的。低电流高压功率mos场效应管

高压功率mos场效应管

    FHP730 / FHF730的主要封装形式是TO-220、TO-220F两种,脚位排列位GDS。这款730场效应管产品具体参数:Vgs(±V):30;VTH(V):2-4;ID(A):5.5;BVdss(V):400。RDS (on) = 1.2mΩ(typ)@V GS =10V。具有低电荷、低反向传输电容开关速度快、低电阻的特点。低电流高压功率mos场效应管

5.5A低电流mos管

    若要介绍在逆变器、UPS系列产品中使用的一款5.5A低电流,400V高电压MOS管,低电流高压功率mos场效应管优先推荐纯国产的730型号来应用于产品电路之中。低电流高压功率mos场效应管

    毕竟该产品的研发单位:广州飞虹电子已获实用专利及发明15项,与中山大学、中科院合作研发GaN器件;在开关电源、逆变器、电动车、LED照明、家电、锂电保护、电机控制器获得广泛应用,帮助合作伙伴解决符合国情、符合国际质量的国内优质产品。除提供免费试样外,更可根据客户需求进行量身定制MOS管产品。

直接百度输入“飞虹MOS管厂家”即可找到我们,免费试样热线:400-831-6077。

热门标签:低电流高压功率mos场效应管

推荐产品