欢迎来到 广州飞虹电子官网!20年专注大功率mos管生产经验咨询热线:400-831-6077

服务热线
400-831-6077
推荐文章
  • 替换STP170N8F7型号参数在电池管理系统应用MOS管:FHP170N8F3A!
  • BMS电源管理系统的国产MOS管:170N8F3A可替换IPP037N08N3G的型号参数!
  • 双互换式UPS电源的国产MOS管:170N8F3A可替换IPP037N08N3G的型号参数!
  • 自动化设备电机驱动专用MOS管:选能替代IPP126N10N3G场效应管很重要!
  • 60N1F10A场效应管替代IPP126N10N3G型号用于电动车电机驱动!
  • 可替换IPP126N10N3G应用在逆变器的MOS管:60N1F10A 型号参数。
  • 应用于5G电源的国产MOS管:FHS170N1F4A可替换STI150N10F7的型号参数!
  • 5G电源的UPS供电系统可用MOS管FHP170N1F4A替换IPB045N10N3G的型号参数!
  • 5G通信电源的国产MOS管:FHS170N1F4A可替换HYG042N10NS1B的型号参数!
  • FHP170N1F4A MOS管替换HYG045N10NS1B型号参数,用于5G电源!
  • 无刷直流电机的国产MOS管:FHP200N6F3A可替换IPP04N06N3的型号参数!
  • BLDC电机的国产MOS管:FHP200N6F3A可替换IRFB3256PBF的型号参数!
  • FHP200N6F3AMOS管替换IRFB3306PBF型号参数,用于BLDC电机驱动电路!
  • 户外储能电源的国产MOS管:FHP200N4F3A可替换IPP041N04NG的型号参数!
  • FHP200N4F3AMOS管替换IRF1404型号参数,用于便携式储能电源电路!
  • 为控制器提升保护功能的MOS管,FHP100N03D替代CRTD055N03L型号参数。
  • 太阳能路灯控制器的国产MOS管:100N03D可替换100N03的型号参数!
  • 代换85N03场效应管,30V、100A参数能让太阳能路灯控制器保护作用提升。
  • 代换HYG045N03LA1D型号参数在路灯控制器应用MOS管:FHD100N03D!
  • 起草皮机电机驱动的国产MOS管:170N8F3A可替换IPP037N08N3G的型号参数!
  • 代换04N08型号参数的割草机电机驱动国产MOS管:FHP170N8F3A!
  • 推荐可用草坪修剪机电机驱动可代换STP170N8F7的国产场效应管!
  • 锂电池保护板常用型号,除SVG095R0NT(S)外,还有110N8F5B低压场效应管!
  • 优质国产场效应管型号,TO-226封装管代换SVG095R0NT(S)用于太阳能控制器!
  • FHP110N8F5B场管代换SVG095R0NT(S)型号参数,储能电源的国产MOS管!
  • 锂电池保护板常用型号,除055N08外,还有110N8F5B低压场效应管!
  • 选对封装的场效应管,TO-226封装管代换055N08用于太阳能控制器!
  • FHP110N8F5B场管代换055N08型号参数,对储能电源友好的MOS管!
  • 锂电池保护板常用型号,除052N08外,还有110N8F5B低压场效应管!
  • 70V低压MOS管,型号100N07参数适用电动车控制器!
  • 型号100N08,100A、80V大电流、低压MOS管,适用电动车控制器!
  • 130A大电流MOS管,型号3205参数适用逆变器前级电路!
  • HY3606参数场效应管替代型号,让逆变器前级电路适用效率提升!
  • 3205场效应管,推荐逆变器前级DCDC升压电路使用的国产替代!
  • IRFP064N型号场效应管国产替代,提升12V逆变器前级电路的转换效率!
  • 推荐修正波DC-AC全桥逆变电路厂家替代国外IRF640场效应管的使用型号参数!
  • 48V转60V输入逆变器前级电路常用场效应管IRFP460的替换管型参数!
  • DC-AC电源转换器替代国外IRF640场效应管200V、18A使用的型号!
  • FQP4N60参数场效应管在高压H桥PWM马达驱动中使用的4AMOS管!
  • DC-DC电源转换器应用FHP4N60高耐压管型,代换FQP4N60参数场效应管!
  • 10A电流的MOS管可替代FQP4N60型号参数,应用在AC-DC开关电源
  • 高压H桥PMW马达驱动应用FHP7N60型号,替代FQP7N60参数的国外场效应管!
  • 电子工程师必看,DC-DC电源转换器中替代FQP7N60场效应管的使用型号!
  • 7Amos管应用在AC-DC开关电源除了FQP7N60还有FHP7N60型号!
  • 50A电流的MOS管可替代FQP50N06型号参数,应用在100W-12V输入的逆变器
  • 型号150N06,150A、60V大电流、低压MOS管,适用升压电路!
  • 28A低电荷MOS管,型号540参数适用电压转换器!
  • 180A大电流、40V电源MOS管,型号1404参数适用逆变器电路!
  • 电子工程师常用的56A大电流MOS管,型号3710参数特点!
  • 型号4410,140A、100V大电流、低压MOS管,适合同步整流电路!
  • 80A大电流MOS管,型号80N07参数适用锂电池保护板!
  • 18A低电流,200V电压参数特点的MOS管分别有哪些型号?
  • 5.5A低电流高压功率MOS场效应管,型号730参数适用逆变器、UPS系列!
  • 10A低电流、400V电源MOS管,型号740参数适用方波输出的逆变器电路!
  • 型号830,5A、500V低电流、高压MOS管,适用逆变器的后级电路!
  • 9A低电荷高压功率MOS场效应管,型号840参数适用逆变器后级电路!
  • 10A低电荷、600V电源MOS管,型号10N60参数适用马达驱动!
  • 型号8N60,8A、600V低电荷、高压MOS管,适用AC-DC开关电源!
  • 600V高压功率MOS场效应管,型号5N60参数适用马达驱动电路!
  • 12A低电荷、600V电源MOS管,型号12N60参数适用电源转换器!
  • 电子工程师常用的20A低电荷高压功率场效应管:型号20N60参数特点!
  • 60V低压MOS管,型号50N06参数适用电机调速电路!
  • 75A大电流MOS管,型号75N100参数适用电机驱动!
  • 替换STP170N8F7型号参数在电池管理系统应用MOS管:FHP170N8F3A!
  • BMS电源管理系统的国产MOS管:170N8F3A可替换IPP037N08N3G的型号参数!
  • 双互换式UPS电源的国产MOS管:170N8F3A可替换IPP037N08N3G的型号参数!
  • 自动化设备电机驱动专用MOS管:选能替代IPP126N10N3G场效应管很重要!
  • 60N1F10A场效应管替代IPP126N10N3G型号用于电动车电机驱动!
  • 可替换IPP126N10N3G应用在逆变器的MOS管:60N1F10A 型号参数。
  • 应用于5G电源的国产MOS管:FHS170N1F4A可替换STI150N10F7的型号参数!
  • 5G电源的UPS供电系统可用MOS管FHP170N1F4A替换IPB045N10N3G的型号参数!
  • 5G通信电源的国产MOS管:FHS170N1F4A可替换HYG042N10NS1B的型号参数!
  • FHP170N1F4A MOS管替换HYG045N10NS1B型号参数,用于5G电源!
  • 无刷直流电机的国产MOS管:FHP200N6F3A可替换IPP04N06N3的型号参数!
  • BLDC电机的国产MOS管:FHP200N6F3A可替换IRFB3256PBF的型号参数!
  • FHP200N6F3AMOS管替换IRFB3306PBF型号参数,用于BLDC电机驱动电路!
  • 户外储能电源的国产MOS管:FHP200N4F3A可替换IPP041N04NG的型号参数!
  • FHP200N4F3AMOS管替换IRF1404型号参数,用于便携式储能电源电路!
  • 为控制器提升保护功能的MOS管,FHP100N03D替代CRTD055N03L型号参数。
  • 太阳能路灯控制器的国产MOS管:100N03D可替换100N03的型号参数!
  • 代换85N03场效应管,30V、100A参数能让太阳能路灯控制器保护作用提升。
  • 代换HYG045N03LA1D型号参数在路灯控制器应用MOS管:FHD100N03D!
  • 起草皮机电机驱动的国产MOS管:170N8F3A可替换IPP037N08N3G的型号参数!
  • 代换04N08型号参数的割草机电机驱动国产MOS管:FHP170N8F3A!
  • 推荐可用草坪修剪机电机驱动可代换STP170N8F7的国产场效应管!
  • 锂电池保护板常用型号,除SVG095R0NT(S)外,还有110N8F5B低压场效应管!
  • 优质国产场效应管型号,TO-226封装管代换SVG095R0NT(S)用于太阳能控制器!
  • FHP110N8F5B场管代换SVG095R0NT(S)型号参数,储能电源的国产MOS管!
  • 锂电池保护板常用型号,除055N08外,还有110N8F5B低压场效应管!
  • 选对封装的场效应管,TO-226封装管代换055N08用于太阳能控制器!
  • FHP110N8F5B场管代换055N08型号参数,对储能电源友好的MOS管!
  • 锂电池保护板常用型号,除052N08外,还有110N8F5B低压场效应管!
  • 70V低压MOS管,型号100N07参数适用电动车控制器!
  • 型号100N08,100A、80V大电流、低压MOS管,适用电动车控制器!
  • 130A大电流MOS管,型号3205参数适用逆变器前级电路!
  • HY3606参数场效应管替代型号,让逆变器前级电路适用效率提升!
  • 3205场效应管,推荐逆变器前级DCDC升压电路使用的国产替代!
  • IRFP064N型号场效应管国产替代,提升12V逆变器前级电路的转换效率!
  • 推荐修正波DC-AC全桥逆变电路厂家替代国外IRF640场效应管的使用型号参数!
  • 48V转60V输入逆变器前级电路常用场效应管IRFP460的替换管型参数!
  • DC-AC电源转换器替代国外IRF640场效应管200V、18A使用的型号!
  • FQP4N60参数场效应管在高压H桥PWM马达驱动中使用的4AMOS管!
  • DC-DC电源转换器应用FHP4N60高耐压管型,代换FQP4N60参数场效应管!
  • 10A电流的MOS管可替代FQP4N60型号参数,应用在AC-DC开关电源
  • 高压H桥PMW马达驱动应用FHP7N60型号,替代FQP7N60参数的国外场效应管!
  • 电子工程师必看,DC-DC电源转换器中替代FQP7N60场效应管的使用型号!
  • 7Amos管应用在AC-DC开关电源除了FQP7N60还有FHP7N60型号!
  • 50A电流的MOS管可替代FQP50N06型号参数,应用在100W-12V输入的逆变器
  • 型号150N06,150A、60V大电流、低压MOS管,适用升压电路!
  • 28A低电荷MOS管,型号540参数适用电压转换器!
  • 180A大电流、40V电源MOS管,型号1404参数适用逆变器电路!
  • 电子工程师常用的56A大电流MOS管,型号3710参数特点!
  • 型号4410,140A、100V大电流、低压MOS管,适合同步整流电路!
  • 80A大电流MOS管,型号80N07参数适用锂电池保护板!
  • 18A低电流,200V电压参数特点的MOS管分别有哪些型号?
  • 5.5A低电流高压功率MOS场效应管,型号730参数适用逆变器、UPS系列!
  • 10A低电流、400V电源MOS管,型号740参数适用方波输出的逆变器电路!
  • 型号830,5A、500V低电流、高压MOS管,适用逆变器的后级电路!
  • 9A低电荷高压功率MOS场效应管,型号840参数适用逆变器后级电路!
  • 10A低电荷、600V电源MOS管,型号10N60参数适用马达驱动!
  • 型号8N60,8A、600V低电荷、高压MOS管,适用AC-DC开关电源!
  • 600V高压功率MOS场效应管,型号5N60参数适用马达驱动电路!
  • 12A低电荷、600V电源MOS管,型号12N60参数适用电源转换器!
  • 电子工程师常用的20A低电荷高压功率场效应管:型号20N60参数特点!
  • 60V低压MOS管,型号50N06参数适用电机调速电路!
  • 75A大电流MOS管,型号75N100参数适用电机驱动!
  • /hangyezixun/show/744.html
  • /hangyezixun/show/745.html
  • /hangyezixun/show/743.html
  • /hangyezixun/show/740.html
  • /hangyezixun/show/739.html
  • /hangyezixun/show/738.html
  • /hangyezixun/show/737.html
  • /hangyezixun/show/736.html
  • /hangyezixun/show/735.html
  • /hangyezixun/show/734.html
  • /hangyezixun/show/732.html
  • /hangyezixun/show/731.html
  • /hangyezixun/show/730.html
  • /hangyezixun/show/729.html
  • /hangyezixun/show/728.html
  • /hangyezixun/show/725.html
  • /hangyezixun/show/724.html
  • /hangyezixun/show/723.html
  • /hangyezixun/show/722.html
  • /hangyezixun/show/718.html
  • /hangyezixun/show/717.html
  • /hangyezixun/show/716.html
  • /hangyezixun/show/710.html
  • /hangyezixun/show/709.html
  • /hangyezixun/show/708.html
  • /hangyezixun/show/707.html
  • /hangyezixun/show/706.html
  • /hangyezixun/show/705.html
  • /hangyezixun/show/704.html
  • /hangyezixun/show/607.html
  • /hangyezixun/show/606.html
  • /hangyezixun/show/605.html
  • /hangyezixun/show/604.html
  • /hangyezixun/show/603.html
  • /hangyezixun/show/602.html
  • /hangyezixun/show/601.html
  • /hangyezixun/show/600.html
  • /hangyezixun/show/597.html
  • /hangyezixun/show/596.html
  • /hangyezixun/show/595.html
  • /hangyezixun/show/594.html
  • /hangyezixun/show/593.html
  • /hangyezixun/show/592.html
  • /hangyezixun/show/591.html
  • /hangyezixun/show/590.html
  • /hangyezixun/show/614.html
  • /hangyezixun/show/613.html
  • /hangyezixun/show/612.html
  • /hangyezixun/show/611.html
  • /hangyezixun/show/610.html
  • /hangyezixun/show/609.html
  • /hangyezixun/show/626.html
  • /hangyezixun/show/625.html
  • /hangyezixun/show/624.html
  • /hangyezixun/show/623.html
  • /hangyezixun/show/622.html
  • /hangyezixun/show/621.html
  • /hangyezixun/show/620.html
  • /hangyezixun/show/619.html
  • /hangyezixun/show/618.html
  • /hangyezixun/show/617.html
  • /hangyezixun/show/616.html
  • /hangyezixun/show/615.html

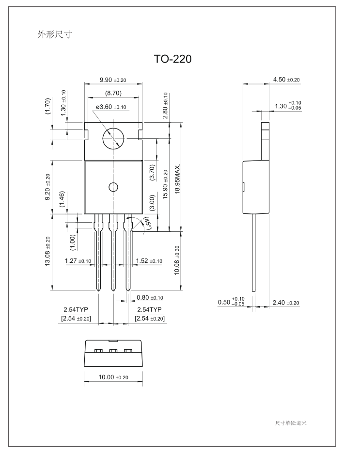
封装TO-220/TO-252的飞虹MOS管:FHP80N07可适用于锂电池保护板!

文章作者:飞虹电子 浏览量:4817 类型:行业资讯 日期:2020-08-26 09:36:12 分享:

MOS管在锂电池保护板里面主要充当电流保护的角色,作为锂电池保护板的重要电子元器件。怎么来选择一款能够具备优良质量的场效应管就显得尤为重要了。目前市面上可用于锂电池保护板的MOS管型有:RU6888、HY1607、STP80NF07F4这三款,那如何在其中选择一款能够与RU6888直接替换的MOS管型呢?


对于锂电池的生产厂家,今天给你推荐一款新的、质量优良的,不仅可直接替代RU6888型号参数的,更能够替代国际品牌型号的低压场效应管:STP80NF07F4。


低压mos管批发厂家


在推荐前我们可先了解下,MOS管在锂电池保护板中是充当怎样的角色呢?


锂电池保护电路一般要求在-25℃~85℃时Control(IC)检测控制电芯电压与充放电回路的工作电流、电压,在一切正常情况下C-MOS开关管导通,使电芯与保护电路板处于正常工作状态,而当电芯电压或回路中的工作电流超过控制IC中比较电路预设值时,在15~30ms内(不同控制IC与C-MOS有不同的响应时间),FHP80N07低压mos管批发将CMOS关断,即关闭电芯放电或充电回路,以保证使用者与电芯的安全。


低压场效应管批发


基于以上的原理,飞虹这款FHP80N07低压MOS管为N沟道沟槽工艺MOS管,在使用方面是不仅能匹配型号为RU6888场效应管,FHP80N07低压mos管批发还能代用型号为:HY1607、STP80NF07F4这两款型号场效应管。主要产品特点为:80A ,70V, RDs(on) = 6.8mΩ(typ)@VGs= 10V开关速度快。


FHP80N07场效应管不仅适用于锂电池保护板,还能使用于36V或48V6管的电动车控制器。FHP80N07的主要封装形式是TO-220/TO-252/TO-263,脚位排列位GDS。这款产品参数:Vgs(±V):25;VTH(V):2-4;ID(A):80;BVdss(V):70。


RU6888场效应管替换型号


飞虹半导体的MOS管已经广泛应用于逆变电源、智能家居、新能源电子领域:如智能音响、家用电器、LED照明、充电器、汽车电子、电瓶车、电脑电源等行业,为国内的电子产品厂家提供了优质的产业以及配套服务。除提供免费试样外,更可根据客户需求进行量身定制MOS管产品。


直接百度输入“飞虹MOS管厂家”即可找到我们,免费试样热线:400-831-6077。


热门标签:FHP80N07低压mos管批发

推荐产品